Löterich

Aus Hackerspace Ffm
Wechseln zu: Navigation, Suche
picture title

by: DCEM

Inhaltsverzeichnis

  • 1 Motivation
  • 2 Features
  • 3 Weller Irons
    • 3.1 WMRP
    • 3.2 WMRT
    • 3.3 WSP80
    • 3.4 WSP150
    • 3.5 WDH10T
    • 3.6 DS(X|V)80
    • 3.7 HAP1
    • 3.8 HAP200
  • 4 Design Files
  • 5 Connector
  • 6 References
    • 6.1 WMRP and WMRT
    • 6.2 WMRP

Motivation

A soldering station is a nice workshop project for beginner workshops. Building your own tools that you can use later on. It should be somewhat modular and vertasile and be able to drive: Weller WMPR, WMRT, WSP 150, WSP 80, WDH10T

Features

To be determined.


Weller Irons

WMRP

WMRP.jpg

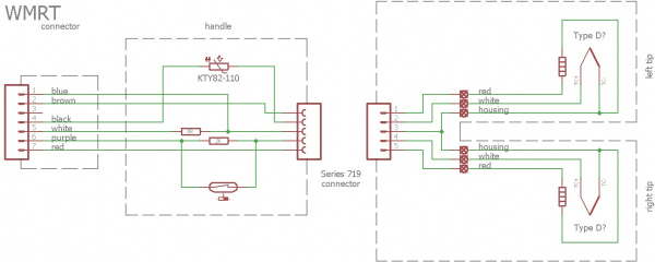
WMRT

WMRT.jpg

WSP80

WSP80.jpg

WSP150

WSP150.jpg

WDH10T

WDH10T.jpg

DS(X|V)80

DS(X-V)80.jpg

HAP1

HAP1.jpg

HAP200

HAP200.jpg

Design Files

Connector

Welcher Steckverbinder ist das 7Pol Weller Station

Conrad (740077 - 62): Amphenol T 3437 000


Bürklin: T0058738799, Buchseneinsatz 6/7-polig mit Litze

Bürklin: GERÄTEDOSE 7-POLIG EINLÖTBAR ERSATZ (5)

Bürklin: STECKER 6/7 POL. ERSATZ

References

Soldering Station V2

SID Soldering Iron Driver

Really universal soldering controller

Weller Irons

WMRP and WMRT

Weller WMRP and WMRT compatible soldering station

WMRP

Weller WMRP RT3 — teardown

Hardware and Arduino Code for DIY WMRP-Solder Station

SMD Soldering Station for Weller Soldering Tips

Projekt „Selbstbau einer SMD-Lötstation”

Soldering Station

Maiskolben

RT Soldering pen

Soldering pen

Von „https://www.hackerspace-ffm.de/wiki/index.php?title=Löterich&oldid=10379“
Kategorie:
  • Projekte

Navigationsmenü

Ansichten

  • Seite
  • Diskussion
  • Quelltext anzeigen
  • Versionsgeschichte

Meine Werkzeuge

  • Anmelden

Navigation

  • Hauptseite
  • Gemeinschaftsportal
  • Projekte
  • Werkzeuge
  • Listen
  • Termine
  • Letzte Änderungen
  • Zufällige Seite
  • Hilfe

 

Werkzeuge

  • Links auf diese Seite
  • Änderungen an verlinkten Seiten
  • Spezialseiten
  • Druckversion
  • Permanenter Link
  • Seiten­informationen
Powered by MediaWiki
  • Diese Seite wurde zuletzt am 9. Januar 2019 um 01:07 Uhr geändert.
  • Diese Seite wurde bisher 26.159 mal abgerufen.
  • Datenschutz
  • Über Hackerspace Ffm
  • Impressum
  • Mobile Ansicht